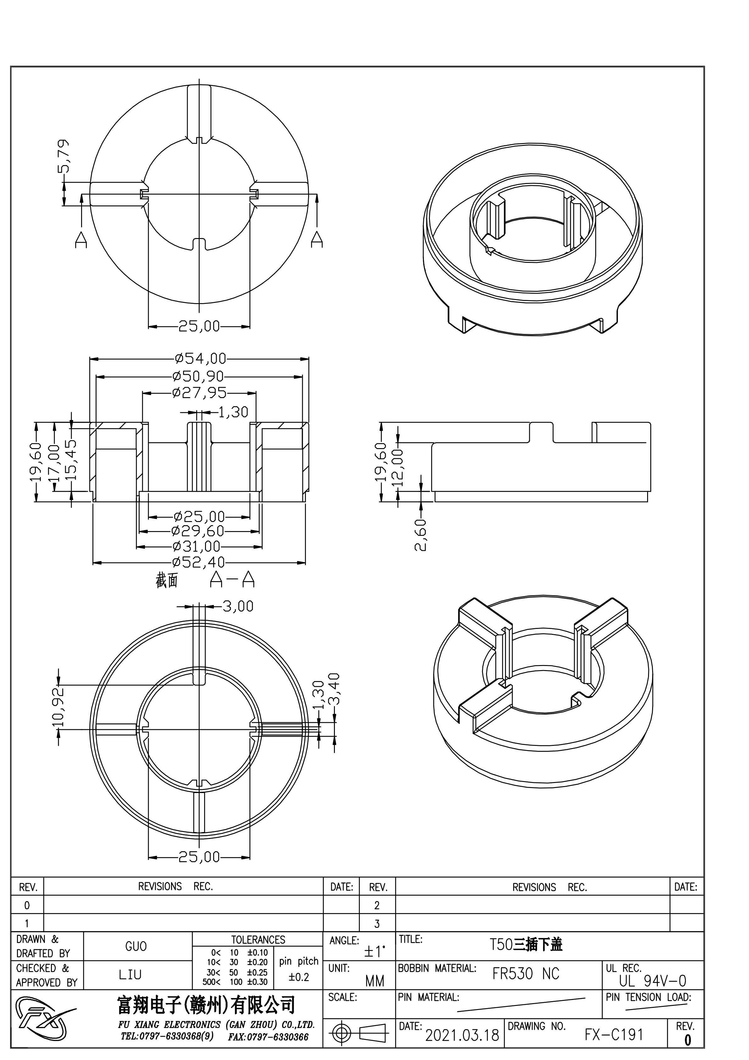
FX-C191