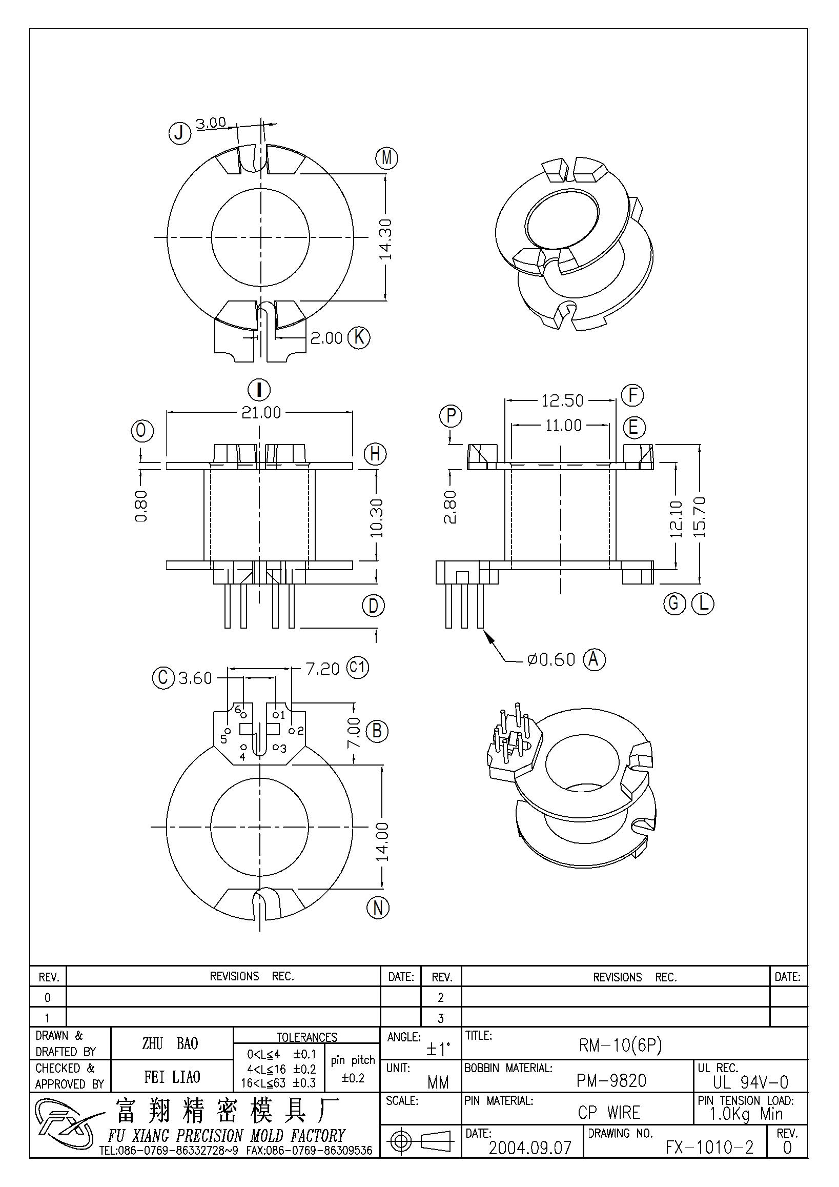
FX-1010-2