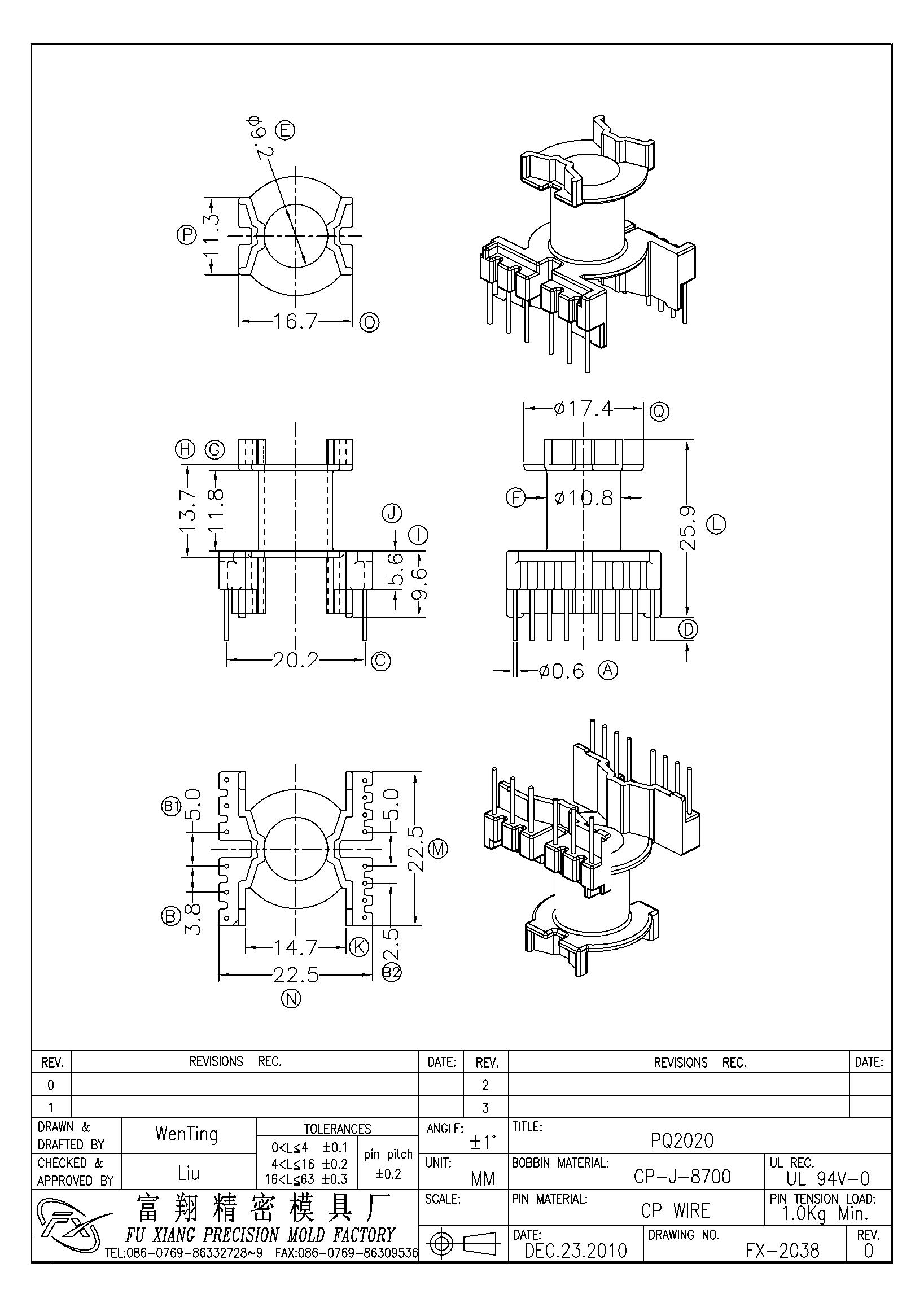
FX-2038